A rajzi nézetek határainak szerkesztése nagyon tiszta és hatékony módszer lehet a rajzi nézetek megfelelő kivágására. Ebben a példában egy spline hozzáadásával egyértelműen bemutatjuk a rajzi nézet trimelését.
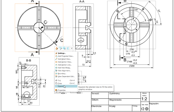
- Első lépésként jobb egérgombbal kattintsunk a határra, és válasszuk ki az Expand parancsot! A nézet kitölti a teljes grafikus ablakot.

- Válasszuk a Studio Spline lehetőséget, vagy ha nem található meg a parancssorban, használjuk a parancskeresőt a kereséshez. Könnyen hozzáadható a parancssorhoz a parancskeresőből.

- Rajzoljunk egy spline-t a nézetre kattintva! Ez képezi a határt, ezért figyelni kell a spline szögére a kezdő és a végpontban. A Parameterization, Drawing Plane, és Movement beállítások alapértelmezetten hagyhatók.

- A pontok helyzeteinek beállítása után az OK gombra kattinthatunk. Ebben az esetben a spline jobb oldalán lévő dolgokat vágjuk le, mivel a spline végei balra néznek.
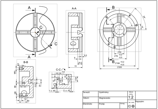
- Ismét jobb klikk a nézet szélén, majd Expand. Ezzel visszajutunk az eredeti nézetre, valamint láthatjuk a létrehozott spline-t is.

- Jobb klikk a rajzi nézet szélére, majd a Boundary lehetőség kiválasztása következik.

- Változtassuk meg az „Automatic Rectangle” beállítást „Break Line/Detail” értékre! Ezután válasszuk ki a létrehozott spline-t és kattintsunk az Apply gombra! Ekkor megjelenik a végpontokat összekötő vonal.

- Kattintsunk az újonnan létrehozott vonalra! Ezzel megfogjuk a vonalat és kihúzhatjuk a megfelelő állásba. Ezt megismételve létrehozható az alábbi két ábrán látható állapot.

- Az OK gomb megnyomásával elkészül a trimelés.

Kipróbálhatja ezeket és más fejlett eszközöket az ingyenes felhőalapú NX CAD próbaverzióban.
Tekintse meg további tudásbázis cikkeinket az alábbi linken.







